Dzisiejsze zlecenie : Laptop Lenovo IdeaPad Z570. 💻
Opis przyjęcia : Brak zasilania (komputer nie reaguje na włącznik). ☹️
Nasza diagnoza : Zwarcia w układach zasilania procesora. 👨🔧
Naprawa komputera polegała na eliminacji zwarć z układów zasilania.
Po podłączeniu zasilacza laboratoryjnego do płyty głównej, strasznie nagrzewał się mosfet (PU3801) - P1403EV8.
Mosfet ten mieści się w głównej linii zasilania komputera.
Niestety naprawa nie była tak oczywista, sam mosfet (klucz) okazał się sprawny, grzał się z powodu zwarcia w innej części płyty głównej.
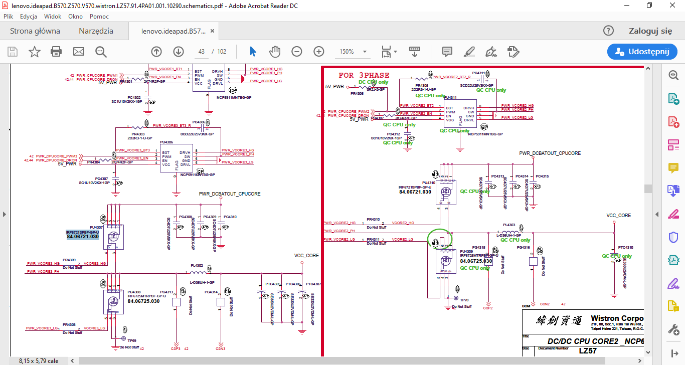
Po podaniu napięcia na dren PU3801, ukazało się zwarcie na układach zasilania samego procesora. Dokładnie zwarty okazał się element kluczujący (mosfet) zasilający sam procesor. Mosfet na płycie oznaczony jako PU4307. Model samego układu IRF6721SPBF. Układ ten jest w nietypowej obudowie (ciężko dobrać podobny element z uszkodzonych płyt).
Po wymianie samego mosfetu zwarty okazał się także kondensator tantalowy, również w układzie zasilania procesora. Kondensator o pojemności 330uF.
Po wymianie tych elementów, płyta nie wykazywała więcej zwarć ale nie wyświetlała obrazu, zapętlała się.
Uszkodzony okazał się także sam procesor i3 2gen.
Po wymianie ostatniego już elementu - procesora, komputer odżył i wyświetlił obraz.
Po wszystkich testach obciążeniowych z czystym sumieniem mogliśmy wydać komputer Klientowi. 🤓






